Категории каталога
Мистификация или реальность? [286]
Интересности всякие) [3036]
Технологии [1056]
Компы (ПО) [133]
Компы (Железо) [179]
Разное [1574]
Материалы, попавшие сюда либо сдесь же и останутся, либо "породят" новую категорию, куда и перекочуют.
Паприколу)) [2649]
Юмор, сатира, приколы...
Мабила [77]
Наш опрос
Оцените мой сайт
Всего ответов: 1214
Главная » Статьи » Компы (Железо)

Готов ли ты покататься на Харлее?

Если да — то поторопись!
Для этого тебе не придется отправляться в автосалон или распечатывать чертежи для самостоятельной сборки действующей модели мотоцикла в натуральную величину, достаточно лишь перейти по ссылке, дающей шанс своими мозгами и руками заработать эту мечту многих поколений.
Довольно известный среди специалистов поставщик широкого спектра электронных компонентов EBV-Electronik совместно с производителем ST проводят конкурс на лучшую любительскую разработку на основе процессора STM32.
«Эка невидаль — этих конкурсов в интернете сейчас, как грязи, а пообещать в качестве приза могут хоть Боинг» — заметят скептики. И я с ними, вобщем-то, согласен, если бы не одна маленькая тонкость…

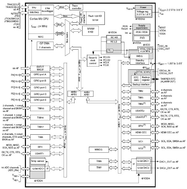
Как известно, синица в руках лучше, чем утка под кроватью, и организаторы конкурса всецело разделяют это мнение. Поэтому каждый, зарегистрировавший свой проект, получает… ПА-ПААААМММ!!!.. совершенно бесплатно демо-борду с микроконтроллером STM32F100RBT6B на борту (а это 128 K флеша плюс 8 K RAM), встроенный в борду USB-JTAG (примерно 40-60 долларов при покупке отдельной платой) и 62 ноги по краю платы, позволяющих использовать достаточно популярные нынче solderless breadboards.

Узнав незадолго до Нового года об этом конкурсе, я вначале отнесся скептически. Увы, в прошлом году меня достаточно болезненно «кинула» TI со своим Stellaris contest, где я успел зарегистрироваться, написать софт, спаять небольшую плату с необходимой электроникой в ожидании нужного процессора, а потом уже выяснить, что по штатовским законам в слаборазвитые страны типа Зимбабве, России, Украины, Сомали и т.п. запрещено слать продукты высоких технологий, дабы аборигены не отвлекались от собирания кокосов. Но тем не менее я прошел достаточно несложную процедуру регистрации и приготовился к долгому и бессмысленному ожиданию.

Но в этот раз меня ждал приятный сюрприз:



Внутри конверта оказался рекламный листочек и аккуратный блистер с платой — упаковка достаточно прочная, чтобы не опасаться за целость платы в процессе доставки:



Сама плата выглядит достаточно аккуратно. Даже если ее паяли и китайцы, то это были правильные китайцы, знающие, за какой конец паяльника надо браться:



Интересное решение с выводами — можно как в solderless втыкать, так и сверху проводки или даже целые платы припаивать:



Для первоначального ознакомления со всеми возможностями платы организаторы конкурса предлагают посетить сайт с описанием этой платы, загрузить и поковырять некоторые тестовые проекты. А посмотреть там есть на что, ибо процессор весьма жирный:



Я надеюсь, что кому-то из нас улыбнется удача и тот из хабраюзеров, кто выиграет Харлей (если это буду не я), даст мне порулить в благодарность за подсказку? :)
Ну а пока что — за работу, нас ждет паяльник и дебагер. Уж всяко лучше программировать для навороченного АРМ, чем тратить свое драгоценное время на унылый и древний, как дерьмо мамонта, ардуино (без обид, я сам когда-то с Атмелями игрался, пока не убедился, что это весьма слабый, «игрушечный» чип)
И под конец — традиционно пафосное пожелание перед любым состязанием: «Пускай победит сильнейший!»
Успехов!

Upd: Поскольку я больше электронщик, чем программист, то приглашаю кого-то из киевлян для совместной реализации моей идеи. С меня железо, с вас софт, харлей пополам :) Пишите в личку.

http://habrahabr.ru/blogs/DIY/112452/#habracut
Категория: Компы (Железо) | Добавил: marina (25.01.2011)
Просмотров: 888 | Рейтинг: 0.0/0 |
Всего комментариев: 0
Добавлять комментарии могут только зарегистрированные пользователи.
[ Регистрация | Вход ]
Понедельник, 01.12.2025, 11:51
Приветствую Вас Гость
Форма входа
Мини-чат
200
Поиск
Друзья сайта
Статистика

Онлайн всего: 2
Гостей: 2
Пользователей: 0